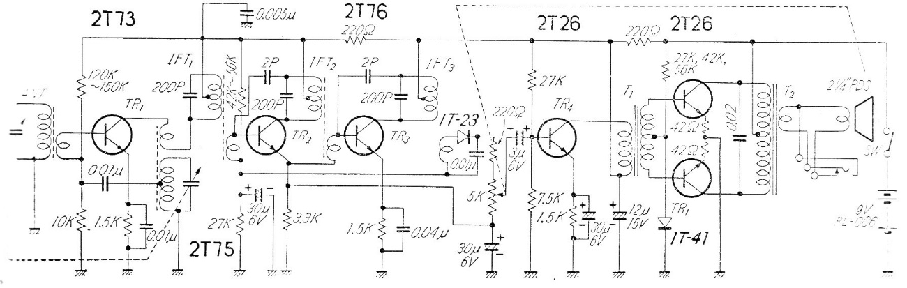
Esta radio comercial para la banda AM se vendió en Japón en la década de 1960. El circuito tiene una FI de 455 kHz y funciona con baterías. La salida push-pull garantiza una buena potencia de audio.
Este simple circuito puede medir temperaturas con cierta precisión, dependiendo sólo de cómo se...
Podemos mostrar cómo funciona un amplificador operacional montando un simple circuito con el 741....
Esta versión de oscilador sensible a la luz utiliza como sensor un foto-transistor o un transistor de...