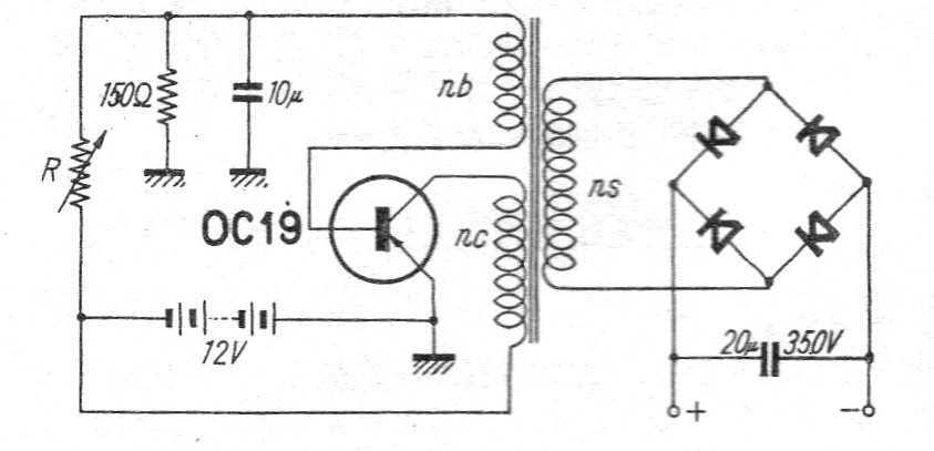
Este circuito es de una revista japonesa de 1957, que muestra el uso de OC19 en un inversor de alta tensión. El transistor común en ese momento debe estar equipado con un disipador de calor y la tensión obtenida depende del transformador utilizado.
Este circuito simple hace que un LED parpadee al ritmo de la música de pequeños aparatos de sonido...
Nuestro proyecto consiste en un simple electroimán que, alimentado por una pila común puede atraer...
Las pilas recargables o las baterías de Nicad consisten en una de las fuentes de energía más...