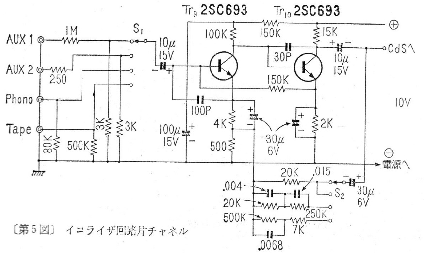
Este circuito es de una publicación de 1968. Utiliza transistores de germanio de la época, con entradas con diferentes ecualizaciones. Se quita la potencia del amplificador con el que debe trabajar, quedando a 10 V.
Este circuito simple hace que un LED parpadee al ritmo de la música de pequeños aparatos de sonido...
Nuestro proyecto consiste en un simple electroimán que, alimentado por una pila común puede atraer...
Las pilas recargables o las baterías de Nicad consisten en una de las fuentes de energía más...