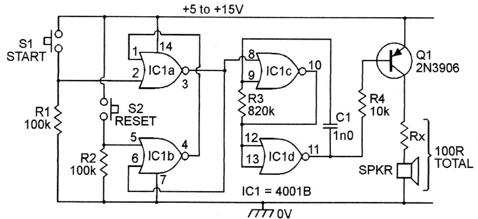
Un pulso se apaga y esta bocina produce un tono de 800 Hz cuando se dispara. Alimentado por 5 V, el circuito funciona como un shield y se puede obtener mayor potencia usando un TIP32 en la salida y alimentado con mayor tensión, en cuyo caso el altavoz puede ser de baja impedancia. Para otras aplicaciones, el CMOS se puede alimentar con tensiones de 5 a 12 V.




