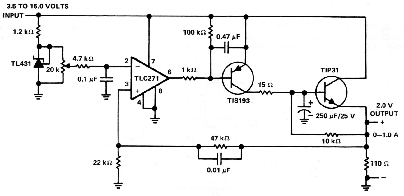
Esta fuente de alimentación se encontró en el Manual de aplicaciones lineales de Texas Instruments de 1996. El circuito usa un operacional para establecer la referencia y dos transistores. El transistor de potencia principal debe montarse en un disipador de calor.




