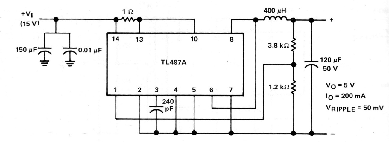
La corriente máxima de este circuito es de 200 mA y la ondulación es de solo 50mV. Texas Instruments sugiere el circuito en su manual de aplicaciones lineales. La referencia viene dada por el divisor resistivo.
Este sencillo circuito permite probar los circuitos integrados CMOS 4001 y 4011. Consta de un...
Este circuito se encontró en una documentación médica estadounidense de 1970. El circuito rechaza la...
Este circuito se da en dos versiones, habiéndose encontrado en una publicación de los años 90. El...