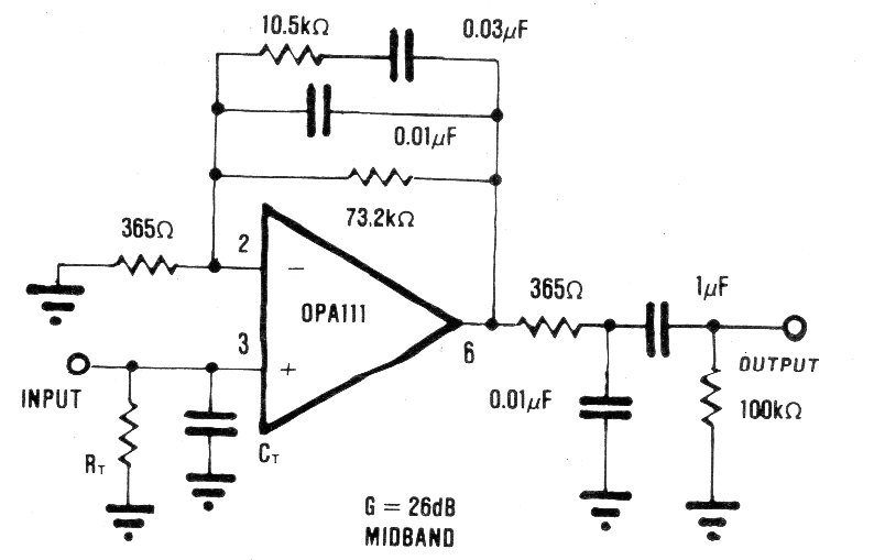
Este preamplificador con ecualización RIAA se obtuvo en una documentación de la década de 1980. El circuito integrado utilizado es poco común en la actualidad y la fuente de alimentación debe ser simétrica. Se debe tener cuidado con el blindaje de los cables de señal de entrada y salida.




