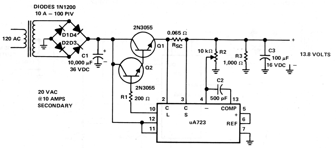
Aunque existen circuitos integrados de regulador de tensión más nuevos, el uA723 sigue siendo muy común en aplicaciones de este tipo. Este circuito es de la documentación de Texas Instruments y la corriente máxima es de 8 A. El 2N3055 debe tener excelente disipador de calor.




