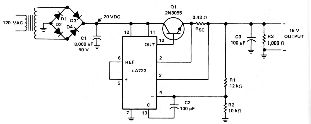
El circuito integrado utilizado ya no es muy común hoy en día, pero todavía hay muchas fuentes que lo emplean. El circuito se encontró en documentación antigua de Texas Instruments y usa un transformador de 10 V con 1 A de corriente. Los diodos pueden ser 1N4002 o 1N4004.




