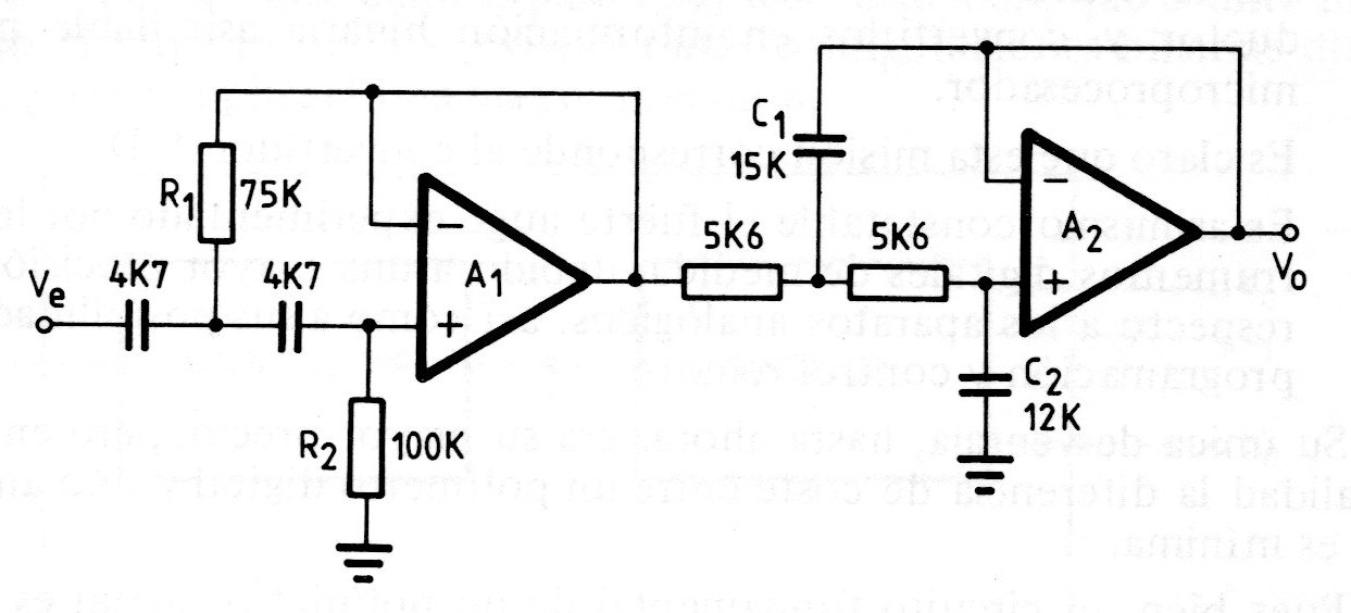
Encontramos este circuito en una publicación de los años 90. El circuito tiene un rango de sintonía de 500 a 1 500 Hz, pero se puede cambiar para operar en otros rangos de frecuencia. Los amplificadores operacionales son del tipo 741 y la fuente de alimentación debe ser simétrica de 6 a 12 V normalmente.




