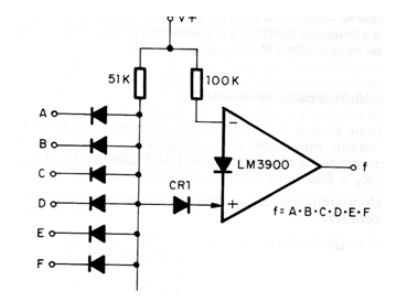
El diagrama muestra una puerta Y (AND) implementada con un operacional de transconductancia LM3900. El circuito es de un manual de amplificadores operacionales de los años 90. La tensión de alimentación debe hacerse de acuerdo con la lógica en la que se aplicará la puerta.




