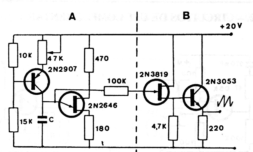
Este circuito utiliza transistores bipolares y transistores de unión única para generar una rampa lineal en frecuencia que depende del capacitor C y la configuración del potenciómetro. El circuito opera hasta unas pocas decenas de kilo Hertz y también tiene un FET que puede ser el BF245.




