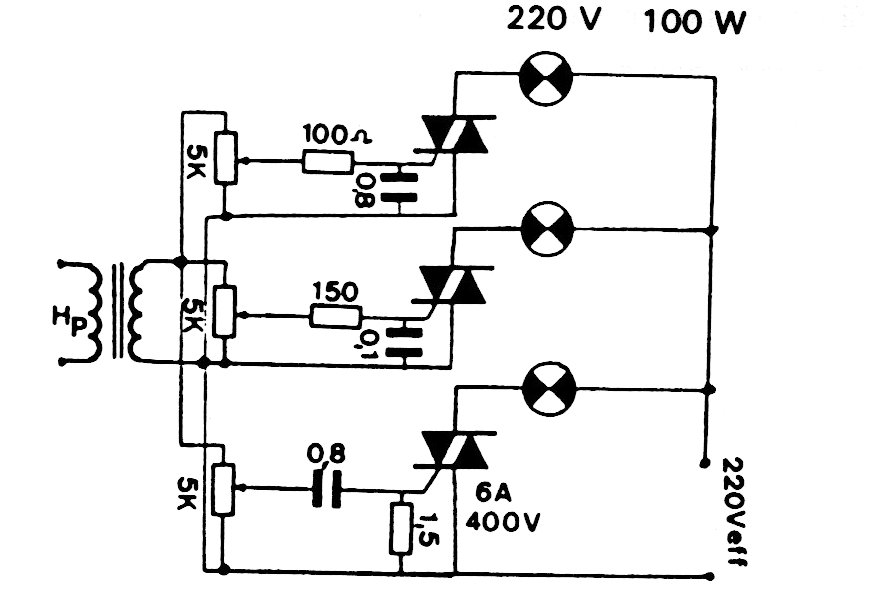
Este efecto de luz se encontró en un manual de circuito europeo de los años 90. Los triacs pueden ser de la serie TIC y el transformador debe ser un primario de baja tensión y un secundario de 110 V (conectado invertido). Se debe colocar una resistencia limitadora en serie con la entrada. El circuito solo funciona con lámparas incandescentes.




