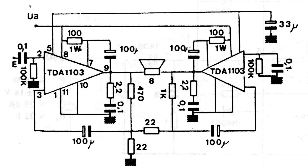
Este es un circuito comercial de Philips de la década de 1980. El circuito debe estar alimentado por 28 V y su ganancia es de 40 dB. La resistencia de entrada es de 100 k ohmios. El circuito integrado debe tener un buen disipador de calor.
El oscilador de relajación con amplificador operacional mostrado en la figura 1 genera una señal de...
Para alimentar a los pequeños proyectos que requieren corrientes de hasta 1 A, se dará una fuente...
Describimos un proyecto de alarma de 1 transistor de bajo consumo de energía, sirviendo para...