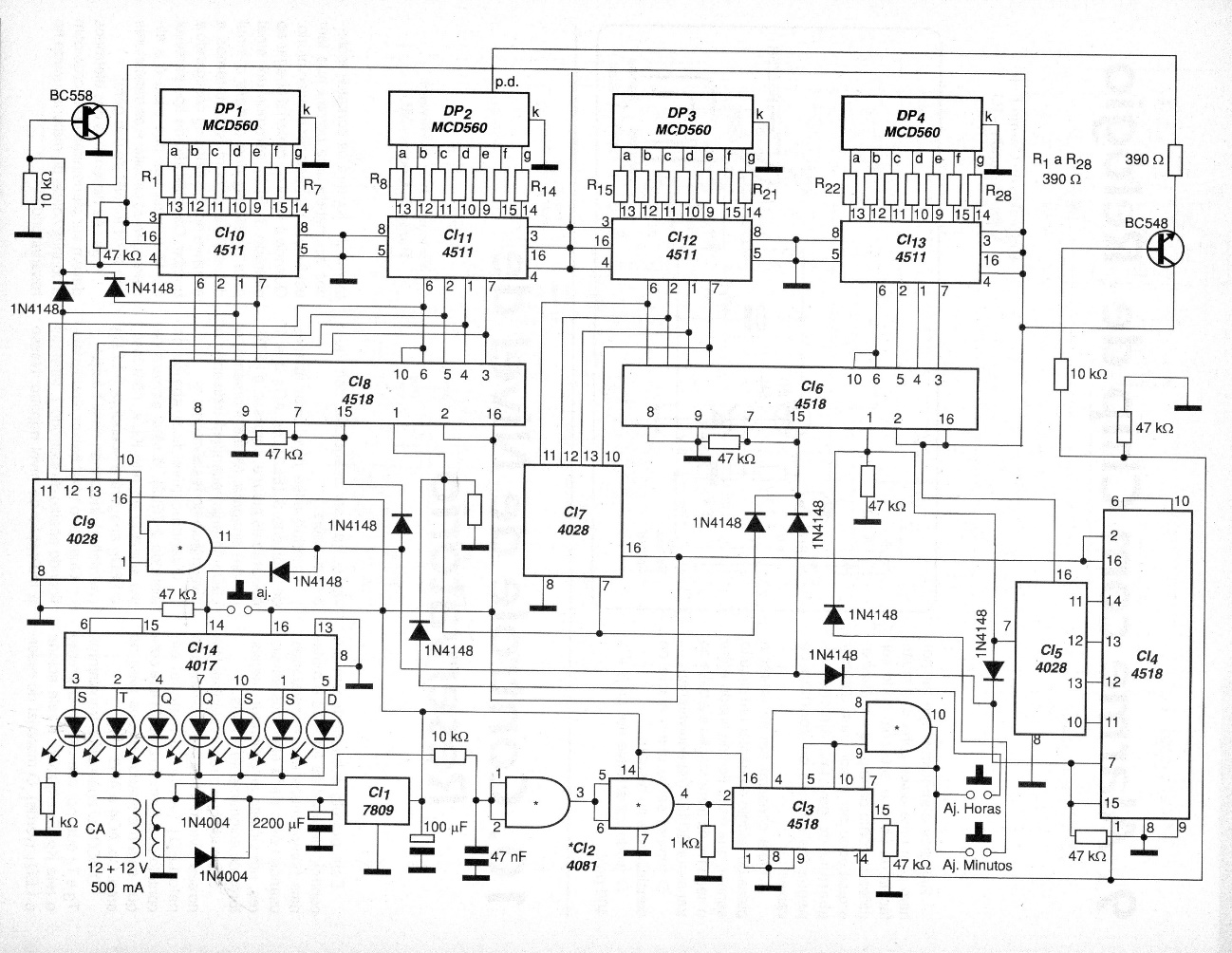
Este circuito de reloj tradicional con componentes CMOS comunes con funciones lógicas discretas se encontró en una documentación de 2003. El reloj se obtiene de la propia red eléctrica, lo que garantiza una excelente precisión de funcionamiento. El circuito utiliza pantallas de cátodo-común durante horas y minutos.




