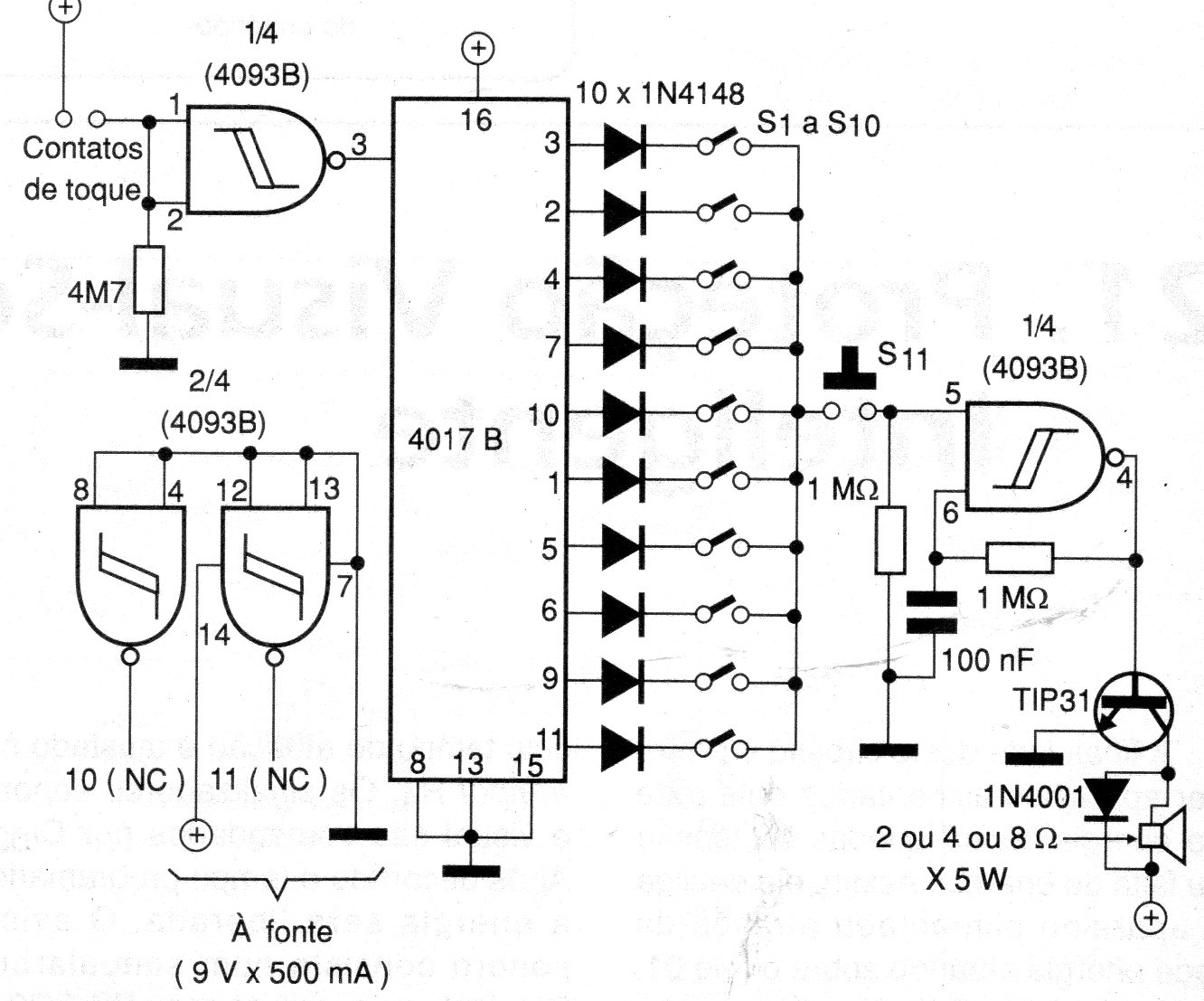
Encontramos este circuito en una documentación de 2003. El propósito es hacer que el jugador elija una o dos teclas que deben activarse. Al presionar S11, si el circuito emite sonido, tendremos al ganador. El juego también puede ser del tipo "ruleta rusa" en el que cada jugador elige a su vez una tecla y aprieta el gatillo S11. Si hay sonido, pierde. Los contactos de toque se utilizan para sortear la salida que estará activa.




