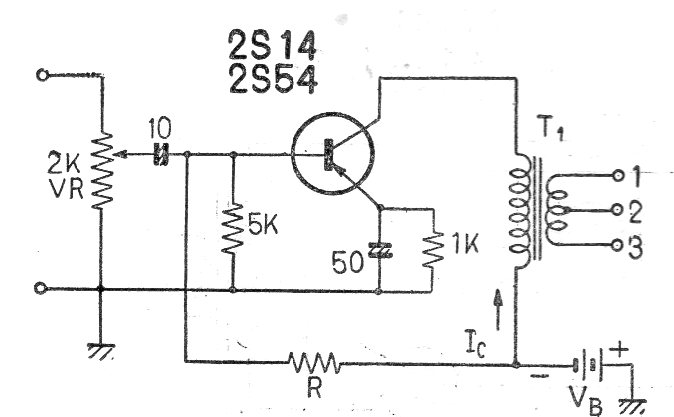
Este circuito con un solo transistor se encontró en la documentación japonesa de la década de 1960. El transistor es de germanio y el circuito tiene un control de volumen. El transformador es de tipo miniatura y la ganancia es de 40 dB.
El circuito mostrado en la figura es sugerido por Texas Instruments y permite la transmisión de datos en...
Esta fuente de alimentación se encuentra en una documentación de 1958. La corriente es entre 500...
Este simple circuito expandible se obtuvo de una Popular Electronics de los años 80. La tensión de...