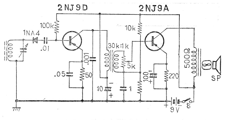
Este circuito comercial es de una revista japonesa de 1967. Utiliza transistores de germanio y la bobina se puede fabricar con 80 a 100 vueltas de alambre fino esmaltado sobre una varilla de ferrita. Los transformadores son los elementos críticos de este circuito.




