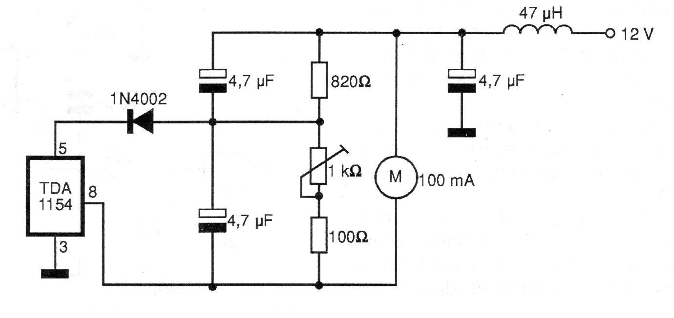
La finalidad de este circuito es mantener constante la velocidad de un pequeño motor de corriente continua de 100 mA. El circuito integrado utilizado no es muy común actualmente, pues el circuito es de 1999, y el ajuste de velocidad es hecho por un trimpot. La corriente máxima de salida del circuito integrado es de 1,2 A y la tensión máxima de 20 V.




