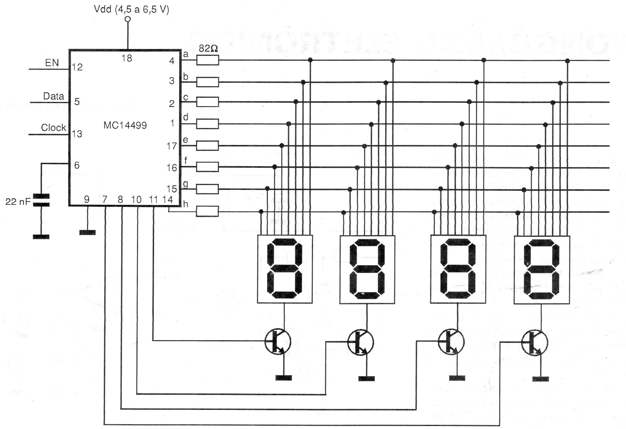
Este circuito es de un antiguo manual de Motorola (1999) usando un circuito integrado que no es muy común actualmente. El circuito consiste en un escudo serial para displays de 7 segmentos multiplexados. Los bits de 1 a 4 controlan los puntos decimales. De 5 a 8 a dígito 1, de 9 a 12 el dígito 2, de 13 a 15 el dígito 3 y de 17 a 20 el dígito 4.




