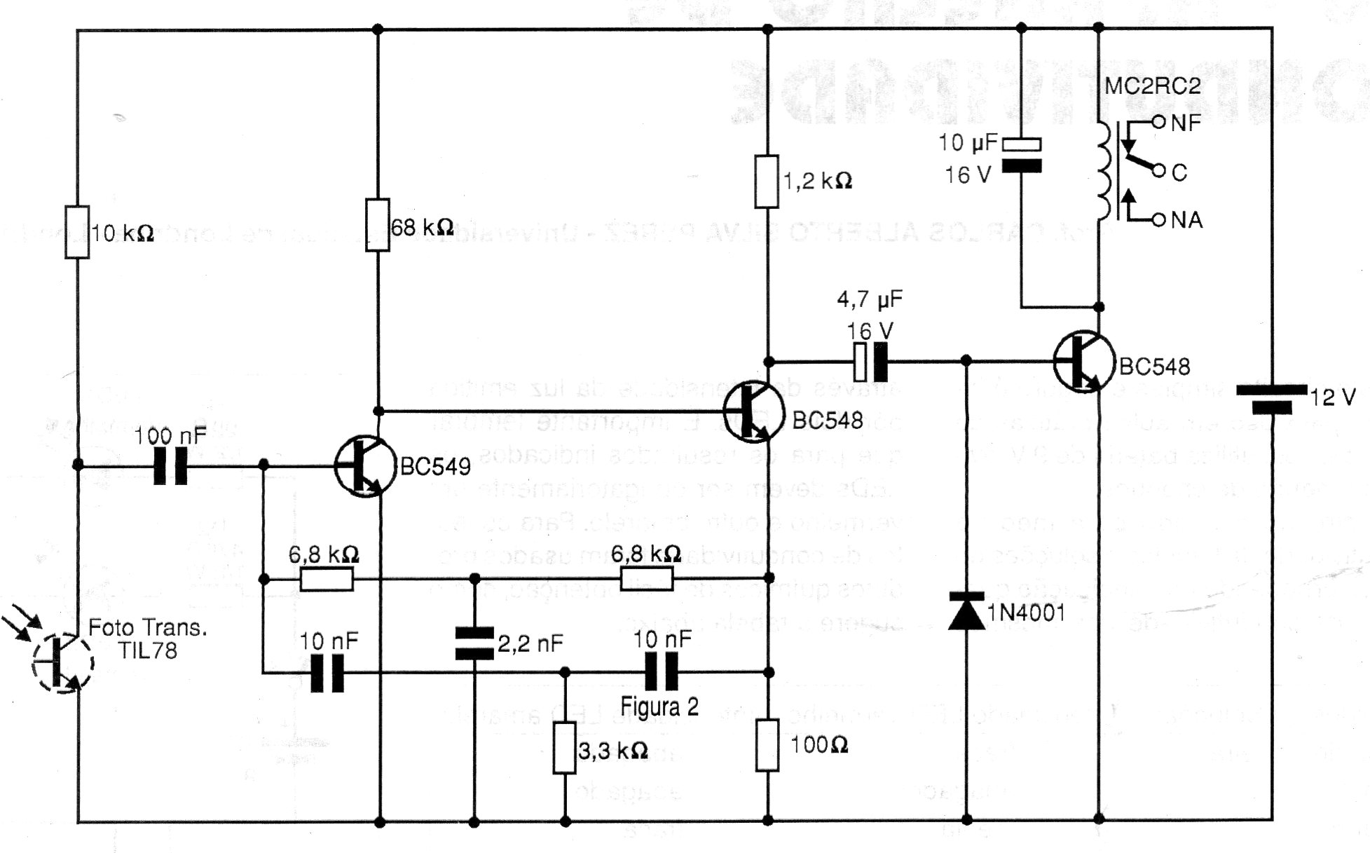
Este es el receptor para el CIR10248. Tiene como principal característica el hecho de usar sólo transistores. El relé es para 12 V y el sensor debe instalarse en tubo con lente para mayor sensibilidad y directividad. El circuito es de una documentación antigua, pero los componentes son comunes todavía hoy.




