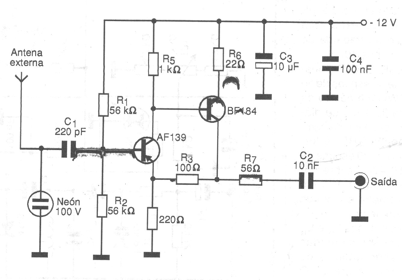
Este reforzador de señales que abarca desde las ondas largas hasta unos 30 MHz es recomendado para ser utilizado con antenas externas en lugares de difícil recepción. El circuito puede ser alimentado por una pequeña fuente de unos 50 mA y la lámpara neón sirve como elemento protector contra descargas estáticas.




