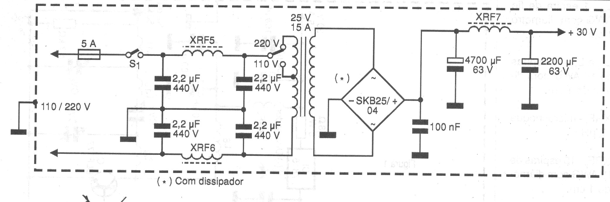
Esta fuente está indicada para la alimentación de amplificadores de potencia. El circuito es de una documentación de 1999. Los diodos son para 15 A en puente. El circuito incluye un filtro de entrada donde los choques consisten en algunas espiras de hilo 14 en un bastón de ferrita.




