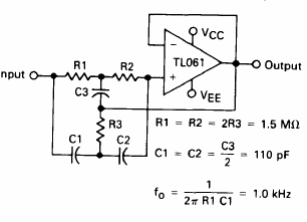
Diversos son los fabricantes del TL061. La configuración dada específicamente fue retirada del Linear Databook de Motorola. Junto al diagrama las fórmulas para calcular los componentes para una determinada frecuencia. La fuente de alimentación debe ser simétrica.




