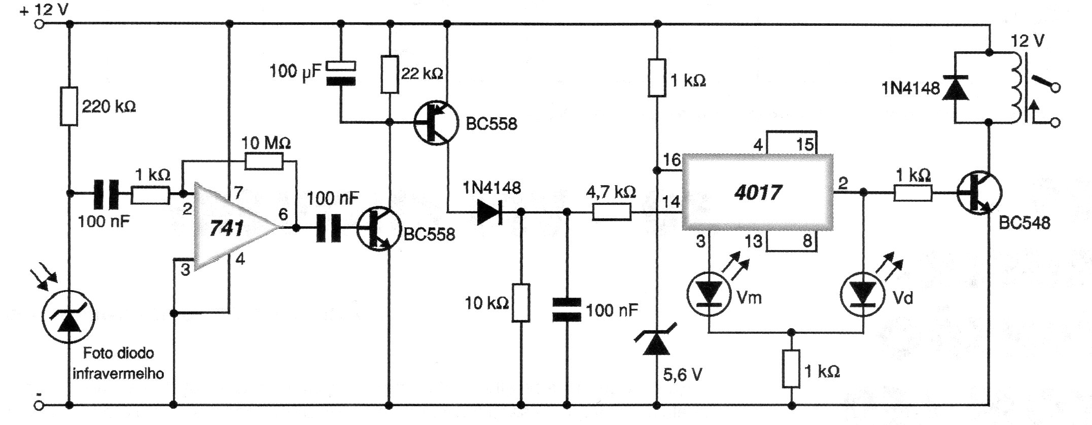
Este circuito de 2000 puede funcionar con uno de los muchos transmisores de control remoto por infrarrojos descritos en esta sección. El circuito acciona un relé de modo biestable, ya que tenemos un contador hasta 2 con el 4017. El circuito es alimentado por una tensión de 12 V y la carga controlada depende del relé usado.




