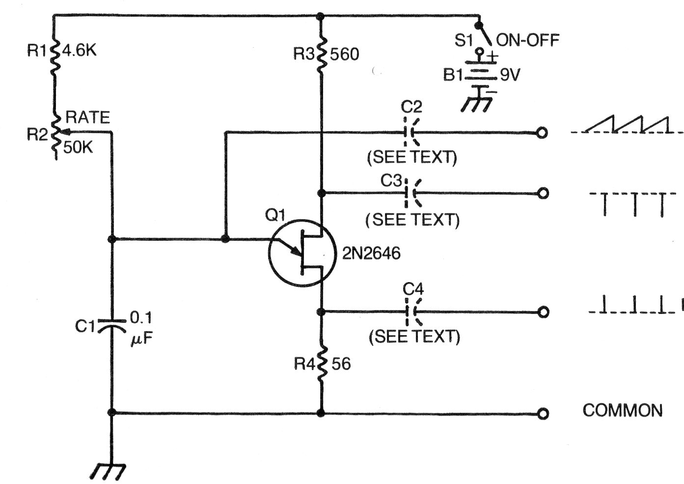
Encontramos este circuito básico de un oscilador de relajación con transistores unijuntura en una documentación de 1976. Los capacitores pueden tener valores entre 1 nF y 470 nF según la aplicación y la alimentación puede quedar entre 9 y 15 V típicamente. C1 y R2 / R1 determinan la frecuencia que puede cambiar en una amplia gama de valores.




