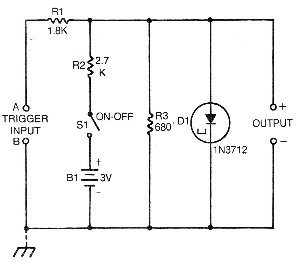
Aprovechando los dos estados estables de un diodo tunnel es posible construir un circuito conmutador conforme lo mostrado. Este circuito fue encontrado en una publicación de 1976 y el componente crítico es el diodo tunnel. Cuando la llave S1 se activa, el circuito va a su estado estable con la alimentación accionada. La característica de este circuito es la conmutación extremadamente rápida.




