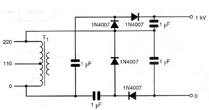
Este circuito no es más que un cuadriplicador de tensión que puede generar cerca de 1 000 V a partir de los 220 V obtenidos de un auto-transformador, que no será necesario si la red local ya es de 220 V. El circuito dado en la figura se utilizan capacitores de poliéster metalizado con una tensión mínima de trabajo de 600 V. Los diodos admiten equivalentes y la corriente de salida es de apenas unos miliampères, pues se debe considerar la reactancia capacitiva de los capacitores usados en el sistema cuadriplicador.




