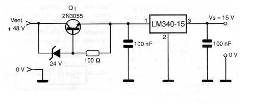
Para operar con tensiones elevadas de entrada utilizando un regulador de tensión de 3 terminales como el LM340-15, podemos usar el circuito indicado en la figura. Este circuito también sirve para circuitos integrados que no admiten más de unos 25 V de entrada. Tanto el circuito integrado regulador de tensión como el transistor de potencia 2N3055 deben montarse en buenos radiadores de calor. El diodo zener es de 1 W. Observe que en este circuito la tensión de salida es de 15 V, pero se pueden utilizar otros integrados con salidas diferentes de acuerdo con la aplicación deseada. La corriente máxima de salida de este circuito es de 1,5 ampères.




