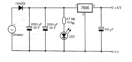
El circuito presentado en la figura está indicado para fuentes alternativas de energía como, por ejemplo, las obtenidas a partir de un dínamo de bicicleta. El dínamo puede ser acoplado a sistemas mecánicos de producción de energía tales como: caídas de agua, molinos de viento, etc. El circuito integrado 7806 debe estar dotado de un buen disipador de calor y la corriente máxima obtenida en la salida no debe superar 1 ampère. Con la presencia del regulador el circuito puede alimentar con seguridad pequeños aparatos electrónicos como radios, grabadores, etc., sin el peligro de sobrecargas causadas por la fluctuación de la tensión que un dínamo común presenta cuando en funcionamiento normal. El LED sólo sirve para indicar que la energía está siendo producida, y funciona como una carga para el circuito cuando no hay nada conectado en su salida.




