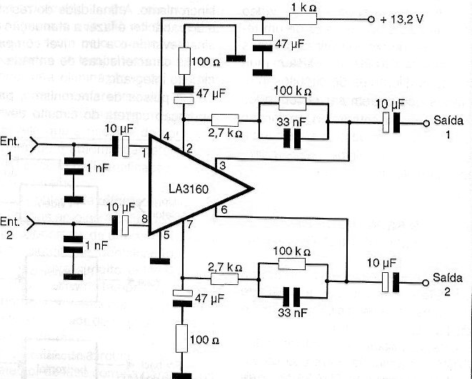
Este preamplificador es recomendado por Sanyo y utiliza como base su circuito integrado LA3160. El circuito integrado en cuestión contiene los dos canales de preamplificación y puede ser alimentado directamente por la tensión de la batería de 13,2 volts. Como se trata de circuito con componente comercial, existe aún la posibilidad de encontrar el circuito integrado LA3160 en casas especializadas.




