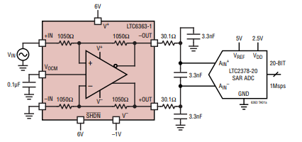
En la figura tenemos una aplicación del amplificador diferencial LTC6363 de Linear en la excitación de un ADC. El circuito es alimentado por 6 V, con una fuente adicional de polarización de -1 V. La información es del datasheet de 2018.

En la figura tenemos una aplicación del amplificador diferencial LTC6363 de Linear en la excitación de un ADC. El circuito es alimentado por 6 V, con una fuente adicional de polarización de -1 V. La información es del datasheet de 2018.
