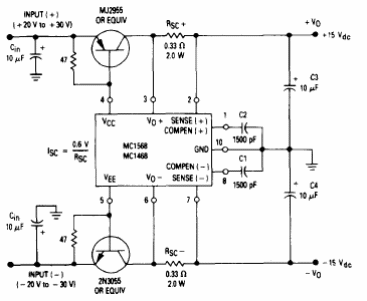
El circuito integrado utilizado en este proyecto de 1990 es poco común en nuestro mercado, y los transistores admiten equivalentes. El circuito es del Linear Databook de Motorola.

El circuito integrado utilizado en este proyecto de 1990 es poco común en nuestro mercado, y los transistores admiten equivalentes. El circuito es del Linear Databook de Motorola.
