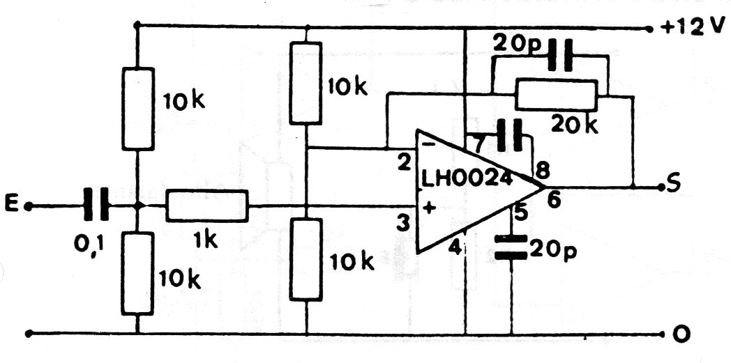
El circuito integrado utilizado en esta aplicación no es de los más comunes actualmente. El circuito sirve para la amplificación de señales de vídeo analógicas, teniendo una banda pasante de 15 MHz. La ganancia de tensión es de 5 veces.
El circuito que veremos a continuación utiliza un elemento de la familia de los semiconductores que aún no es...
Para mostrar las posibilidades que las placas de circuitos impresos universal ofrecen a los...
El circuito presentado en la figura 1 permite la comparación de niveles de luz basados en una escala...