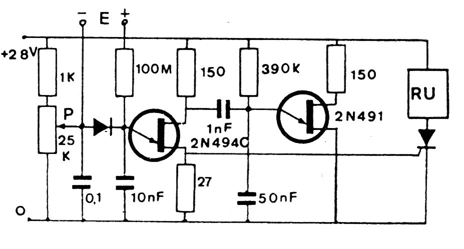
Encontramos este circuito en una documentación francesa antigua. El diodo es de uso general y el relé es de 28 V. El circuito tiene una impedancia de entrada de 100 M.
Es un interesante proyecto para ferias de ciencias o aún como base para un trabajo escolar, o aún...
El circuito mostrado en la figura 1 genera un tono intermitente en un transductor piezoeléctrico cuando se...
Encontramos este oscilador en una publicación de los años 60. La frecuencia es alrededor de 600 Hz...