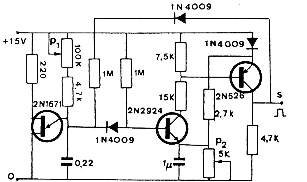
Esta configuración, encontrada en una documentación francesa, genera pulsos rectangulares en frecuencia que depende del unijuntura. Los transistores pueden ser reemplazados por equivalentes modernos y la frecuencia con los valores dados está en el rango de 60 Hz z 1000 Hz. En lugar del 1N4009 se puede utilizar el 1N4007.




