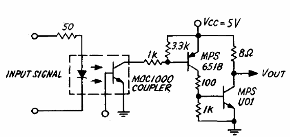
Este amplificador de pulsos con aislamiento óptico es de un manual Motorola de 1973. Los transistores pueden ser equivalentes como el BC548 y BC558 y el aislador óptico prácticamente cualquier tipo que utilice un foto-transistor. El circuito tiene salida compatible con lógica TTL pudiendo ser utilizado como shield para microcontroladores.




