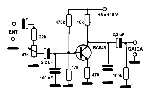
La idea básica de este circuito es de una revista americana Elementary Electronics de 1980, pero con algunos cambios se puede montar fácilmente hoy en día con un transistor BC548 o BC549. Es un filtro activo que amplifica solamente los bajos para su aplicación en un amplificador independiente con un woofer de salida. Es un circuito interesante para aquellos que quieren poner en práctica el sistema de cine en casa. El circuito puede ser alimentado con batería de 9 V, porque su consumo es muy bajo. El circuito también puede ser alimentado por la misma fuente del amplificador que se utiliza para el woofer. Sugerimos que el amplificador sea al menos de 30 W para obtener buenos resultados. Los cables de entrada y salida de señales deben estar blindados por lo que no se obtiene que el ronquido, debido principalmente al hecho de que la ganancia del circuito es alta a bajas frecuencias. El interruptor S2 neutraliza el circuito, haciendo que la señal pasa directamente al amplificador. Esta llave se puede sacar.




