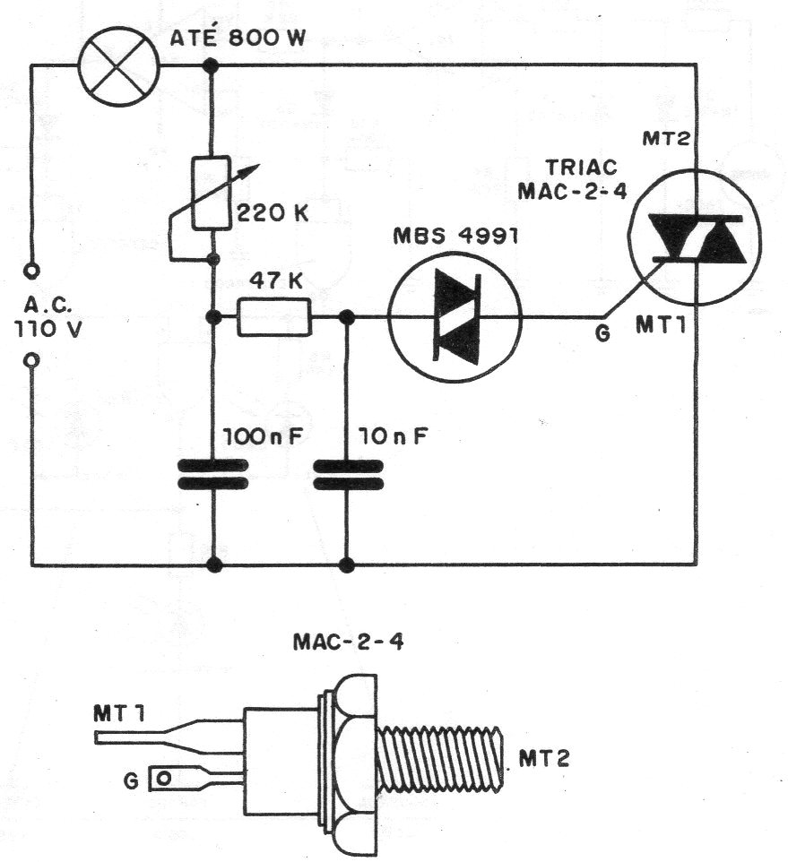
Esta es una configuración de dimmer con triac convencional encontrada en una documentación de 1986. El triac utilizado es un MAC-24 (200 V x 8 A) común en la época, el cual tiene envoltorio para instalación en un gran disipador de calor. El circuito es para la red de 110 V.




