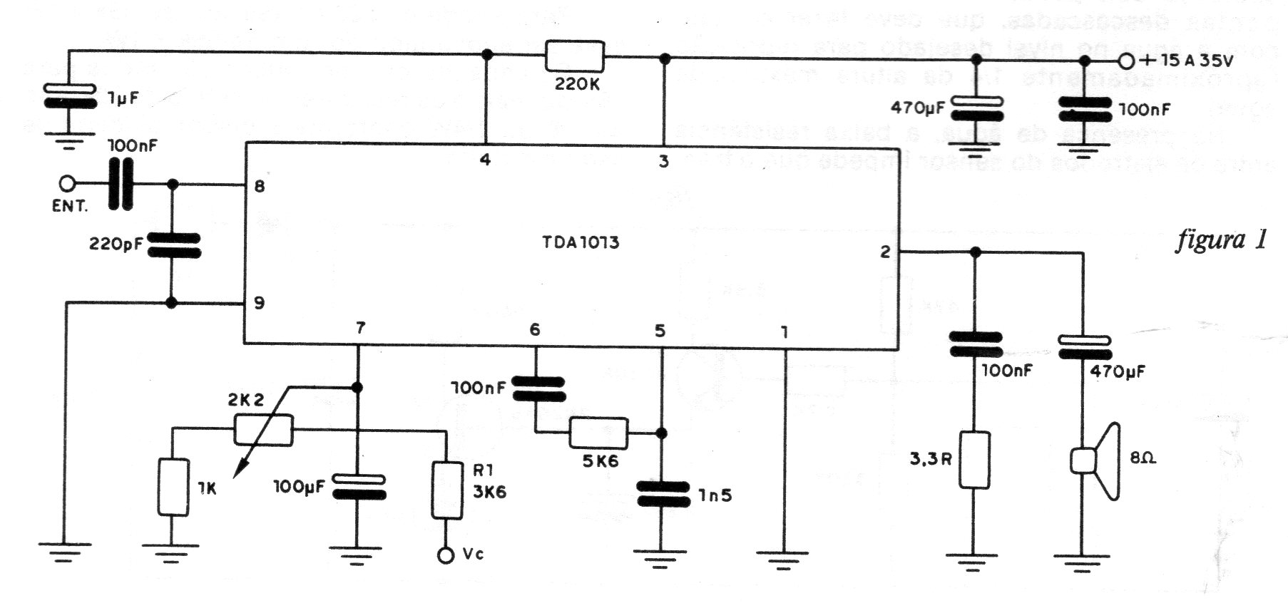
El circuito integrado utilizado en este proyecto no es común actualmente, pero si se encuentra resulta en un buen amplificador con pocos componentes. El circuito integrado TDA1013 debe montarse en un disipador de calor y tiene una sensibilidad de entrada de 55 mV. La impedancia de entrada es de 250 k. El circuito es de un manual de Philips de los años 70.




