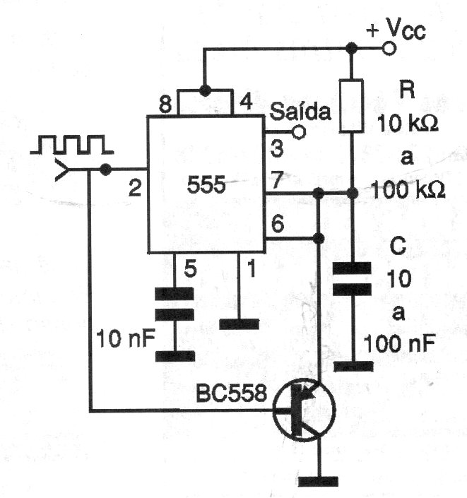
Este circuito aparece varias veces en esta sección y en este sitio, obtenido de publicaciones diferentes. Un artículo sobre él se encuentra también en este sitio. El circuito de 2000, detecta cuando en un tren de pulsos uno o padres pulsos están ausentes. R y C dependen de la frecuencia de las muñecas.




