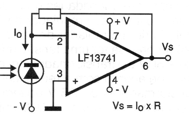
Esta configuración aparece varias veces en el sitio procedente de orígenes diferentes. Este es un manual de 2000 y el circuito integrado utilizado es equivalente al 741. Se pueden utilizar otros integrados y la fuente debe ser simétrica de acuerdo con el operacional.




