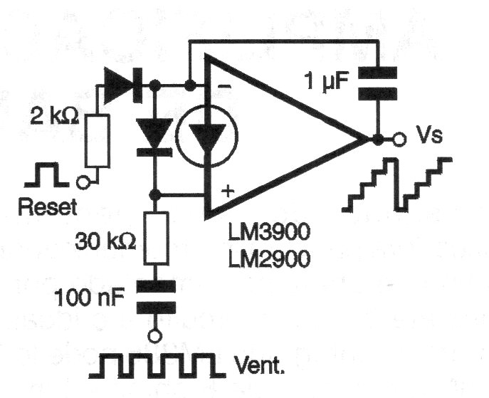
Este circuito, que aparece en otras aplicaciones de este sitio, fue retirado de una documentación de 2000 basada en el manual de National Semiconductor de la época. El circuito puede ser alimentado por tensiones de 6 a 12 V y para los componentes usados la señal de entrada debe ser de 1 kHz.




