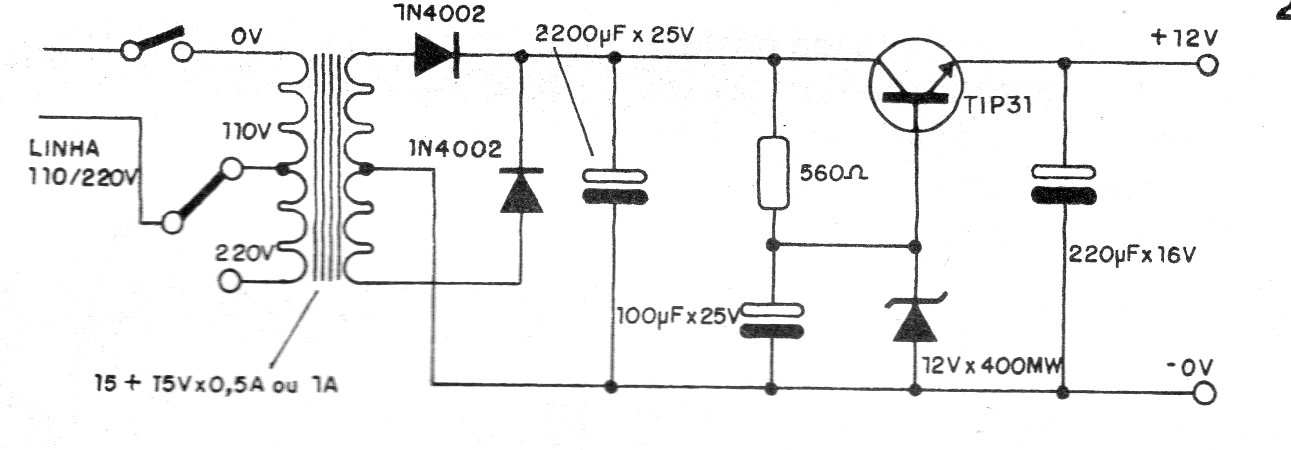
Esta fuente tradicional con 1 transistor regulador ya ha sido explorada en otras materias de este sitio. El transformador es de 12 o 15 V con 1 A y el transistor de potencia debe montarse en un disipador de calor. Para un transformador de menor corriente, la salida será menor.




