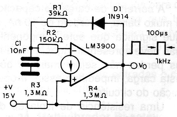
Los pulsos de corta duración se pueden obtener en configuración próxima a la vista anterior (CIR8275), utilizando sólo un amplificador, como muestra la figura. En el circuito indicado no producidos pulsos de 100 us de duración, en una frecuencia de repetición de 1 kHz. Con el uso de diodo, tenemos la carga de C1 vía R1, pero su descarga ocurre vía R2. La relación entre estos componentes determina entonces la relación marca-espacio del generador.




