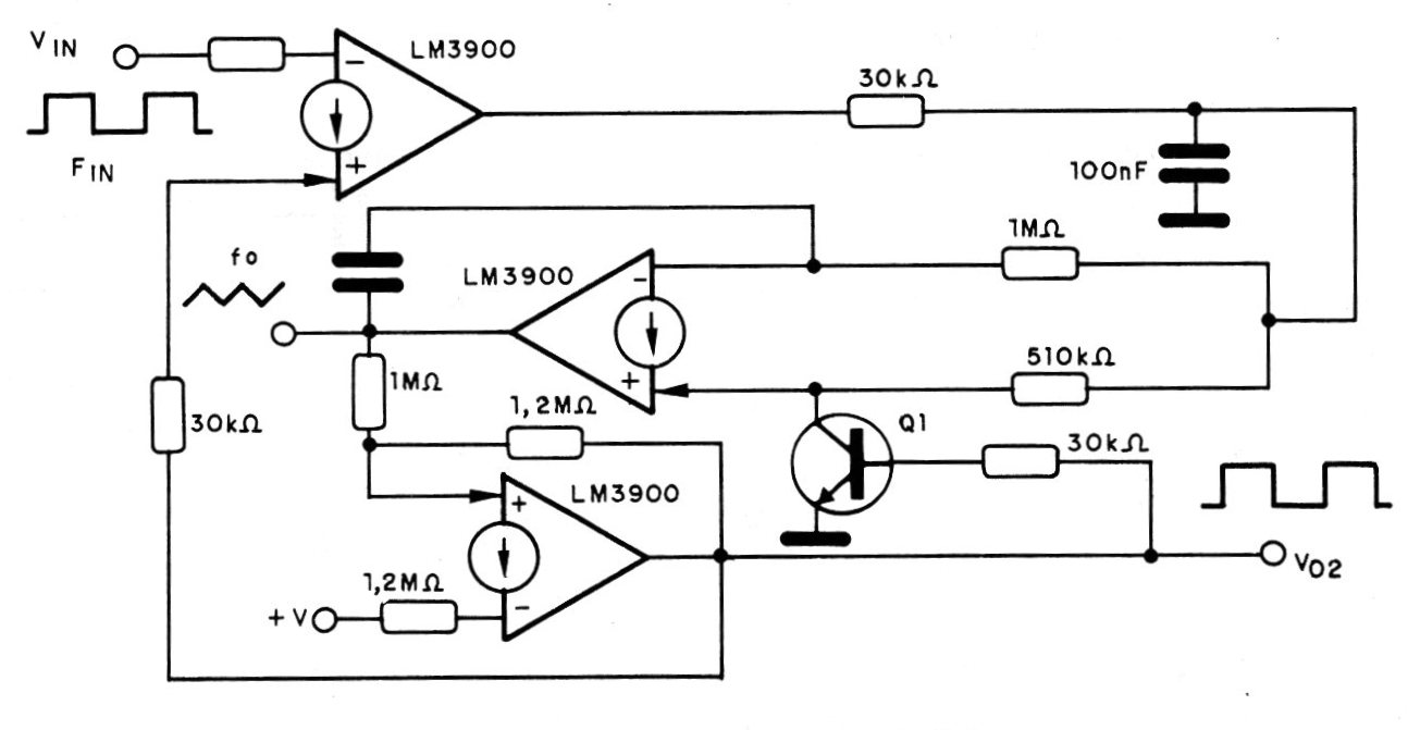
Un circuito de Phase-Loocked Loop con tres de los cuatro amplificadores de Norton disponibles en el LM3900 se muestra en la figura. Este circuito tiene una frecuencia central de aproximadamente 3 Hz. El cuarto amplificador disponible en el integrado, se puede utilizar para aumentar el rango de reconocimiento de la señal.




