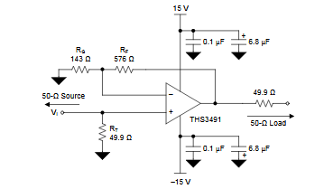
Este amplificador de 320 a 900 MHz con el circuito integrado TSH3491 de Texas Instruments se obtuvo en el propio datasheet del componente. El circuito alimenta directamente una carga de 50 ohmios con corriente de 500 mA llegando a una ganancia de 5 V / V. El circuito requiere una fuente de alimentación simétrica.




