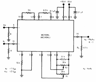
Este circuito es del Linear Databook de Motorola de 1990. El circuito integrado utilizado es poco común en nuestros días.
Este probador de continuidad artesanal tiene una finalidad didáctica, pudiendo ser utilizado como tema...
Este tipo de oscilador utiliza una configuración fuera de lo común y puede ser utilizado como base...
Este circuito produce el ruido del goteo de un grifo o una gotera cuando la luz deja de incidir en el...