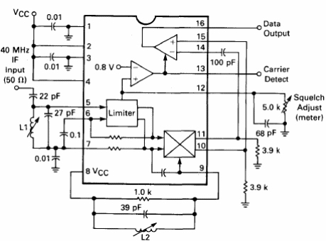
Encontramos este circuito en el Linear Databook de Motorola de 1990. El componente usado es poco común. El receptor está destinado a frecuencias de hasta 40 MHz. La tensión máxima de alimentación es de 15 V.

Encontramos este circuito en el Linear Databook de Motorola de 1990. El componente usado es poco común. El receptor está destinado a frecuencias de hasta 40 MHz. La tensión máxima de alimentación es de 15 V.
