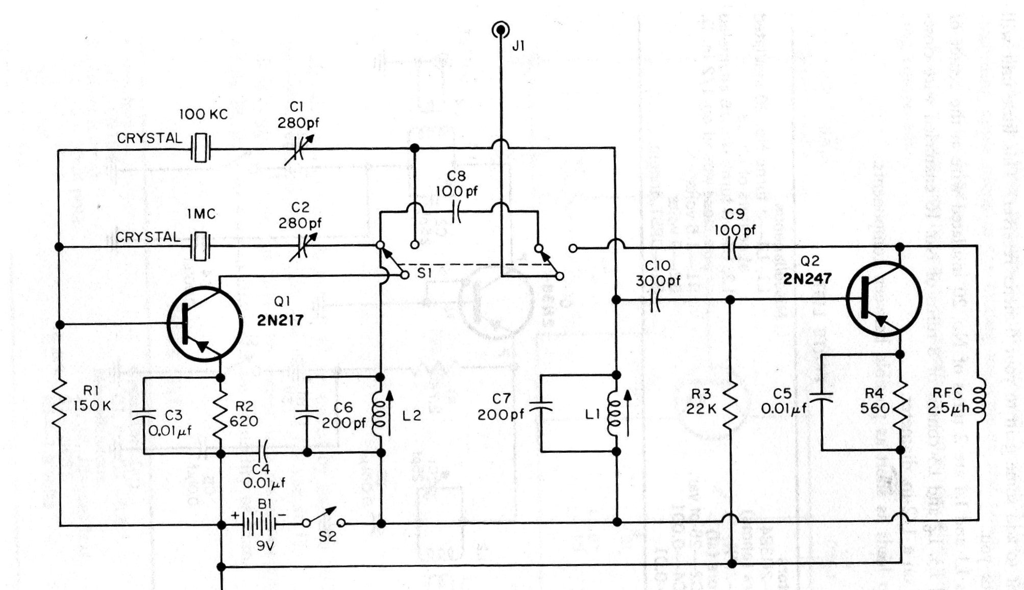
Encontramos este circuito en una documentación americana antigua. Se puede implementar con transistores más modernos como los BC558. El circuito genera señales fijas según la frecuencia de los cristales. L1 y L2 son choques de RF 1 mH aproximadamente.




